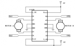
Микросхема L293D — это сборка из четырёх H-полумостов. Это может быть использовано для независимого управления двумя двигателями постоянного тока, с возможностью включения реверса. Также чип может быть использован для контроля одного биполярного шагового двигателя.
Управление осуществляется через транзисторно-транзисторную логику (TTL), а возвратные (flyback) диоды уже встроены в чип. Это означает, что для управления моторами понадобятся лишь сами моторы, L293D и микроконтроллер вроде Arduino. Чип может быть легко установлен на breadboard.
L293D может выдавать до 600 мА на канал. Если этого недостаточно можно соединить несколько микросхем параллельно и тем самым поднять предельные характеристики.
Характеристики
Напряжение питания управления (Vcc1): 4,5 – 36 В
Напряжение питания нагрузки (Vcc2): Vcc1 – 36 В
Максимальный постоянный ток: 600 мА на канал
Максимальный пиковый ток (до 100 мкс): 1200 мА на канал
Корпус: DIP16
Разное
- L293D Motor Drive модуль для Arduino
- L293D Motor Drive модуль для Arduino Описание: Может управлять 4-я двигателями постоянного тока или 2-я шаговыми двигателями, или 2-я сервоприводами. До 4-х двунаправленных...



