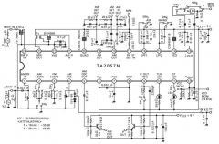
Микросхема TA2057N в корпусе SDIP24-300 представляет собой готовый АМ/ФМ цифровой тюнер с питанием 3.5-14В.
Используется во многих популярных профессиональных и полупрофессиональных радиоприемниках, например DEGEN DE1103 (тестировалась в данном радиоприемнике).
Требуется при ремонте, например вследствии статического разряда через антенну - когда возможен выход из строя части ИМС, отвечающего за уровень сигнала при приеме ФМ, что устраняется только заменой данной ИМС.
AM/FM IF+FM ST DET (FOR DIGITAL TUNING SYSTEM)
Производитель: Toshiba





